Tem no Magalu
Departamentos
Nossas marcas e parceiros
Serviços e benefícios
Número de telefone 0800 773 3838
Seg. à Dom. exceto feriados das 8h às 20h
Departamentos
Nossas marcas e parceiros
Serviços e benefícios
Vendido e entregue por Olist Sp

Lojista Magalu desde 2022
+200mil
Produtos vendidos
Entrega
No prazo
Atendimento
Responde rápido
Sobre a reputação da loja
A nota de reputação refere-se a vários critérios na experiência de compra oferecida aos clientes. Saiba o que levamos a consideração.
Pedidos que foram despachados e entregues no prazo previsto.
Total de cancelamentos de pedidos solicitados pelos clientes ou por essa loja por diferentes motivos: falta de peças, produto com avarias, produto diferente ou pelo recebimento fora do prazo.
Avalia o tempo que a loja leva para responder aos clientes nos canais de atendimento: Protocolo, Chat com o Cliente e Perguntas e Respostas
O Magalu garante a sua compra, do pedido à entrega. Saiba mais
CNPJ
18.552.346/0003-20
Razão Social
Olist Servicos Digitais Ltda
Endereço
R HENRY FORD , 803PRESIDENTE ALTINO - OSASCO/SP62101-08
Autorização ANVISA
Autorização MAPA
Código dj341c77bc
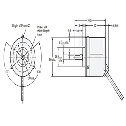
| Fabricante | Eng automação |
| Condição do item | Novo |
| Marca | ENG Automação |
| Nome | Encoder incremental 360 p/r pnp eixo 8mm 12-24v |
| Modelo | Encoder incremental 360 p/r pnp eixo 8mm 12-24v |
| Cor | Cinza escuro |
| Conteúdo da Embalagem | Encoder Incremental, Acoplamento, Cabo de 2 metros |
| Marca | Onrom |
| Modelo | E6C2-Cwz6B |
| Referência | E6C2-Cwz6B |